您好,欢迎访问爱题库
微信
支付宝
化学-辽宁省东北育才学校2023-2024学年度高中部高三第三次模拟考试试题和答案于近期开考,本次考试对考生对知识的掌握参考价值大,为了方便大家复习掌握错题!小编在下文为大家准备了化学-辽宁省东北育才学校2023-2024学年度高中部高三第三次模拟考试试题和答案试卷及答案解析详情,仅供考生参考。
如果你想下载化学-辽宁省东北育才学校2023-2024学年度高中部高三第三次模拟考试试题和答案DOC或PDF版,请点击本文末链接!
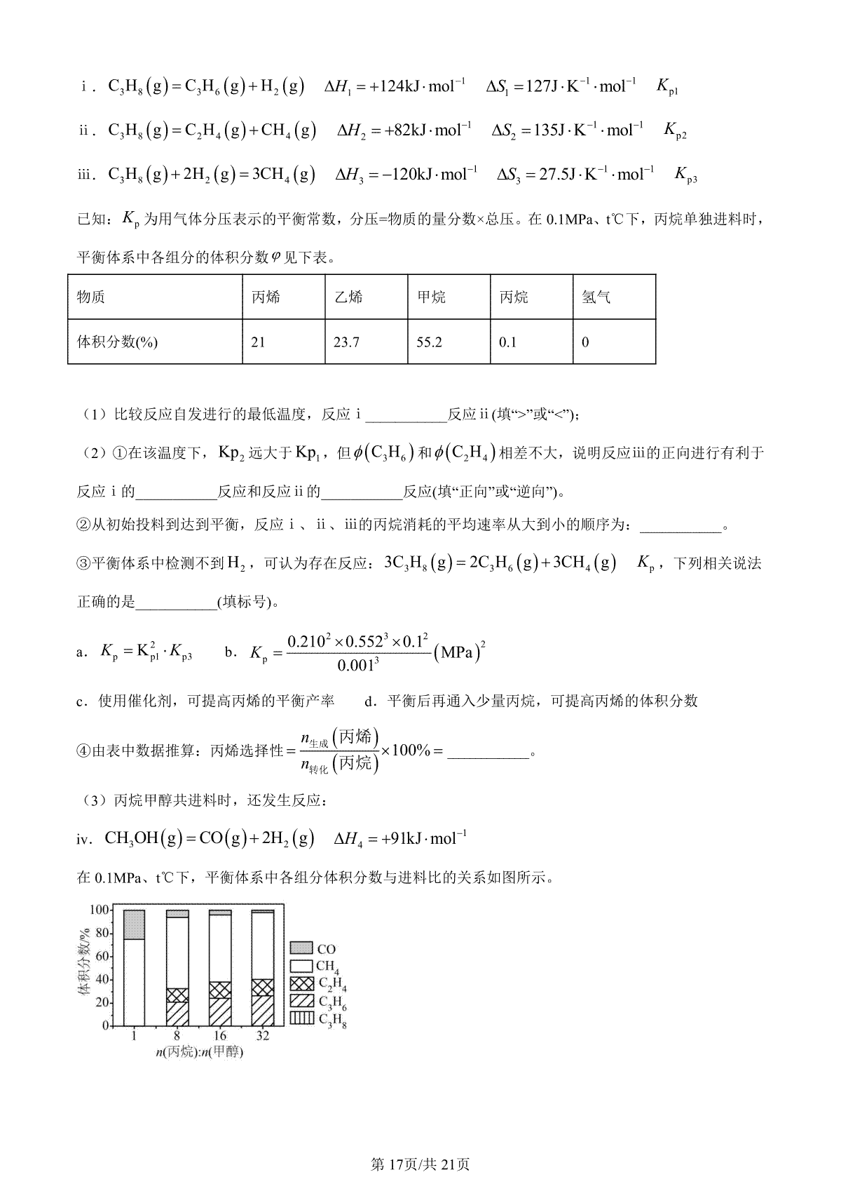
一、化学-辽宁省东北育才学校2023-2024学年度高中部高三第三次模拟考试试题和答案
































评论
发表评论