您好,欢迎访问爱题库
微信
支付宝
安徽省“耀正优+”2023-2024学年高三上学期12月名校阶段检测联考物理于近期开考,本次考试对考生对知识的掌握参考价值大,为了方便大家复习掌握错题!小编在下文为大家准备了安徽省“耀正优+”2023-2024学年高三上学期12月名校阶段检测联考物理试卷及答案解析详情,仅供考生参考。
如果你想下载安徽省“耀正优+”2023-2024学年高三上学期12月名校阶段检测联考物理DOC或PDF版,请点击本文末链接!
一、安徽省“耀正优+”2023-2024学年高三上学期12月名校阶段检测联考物理










评论
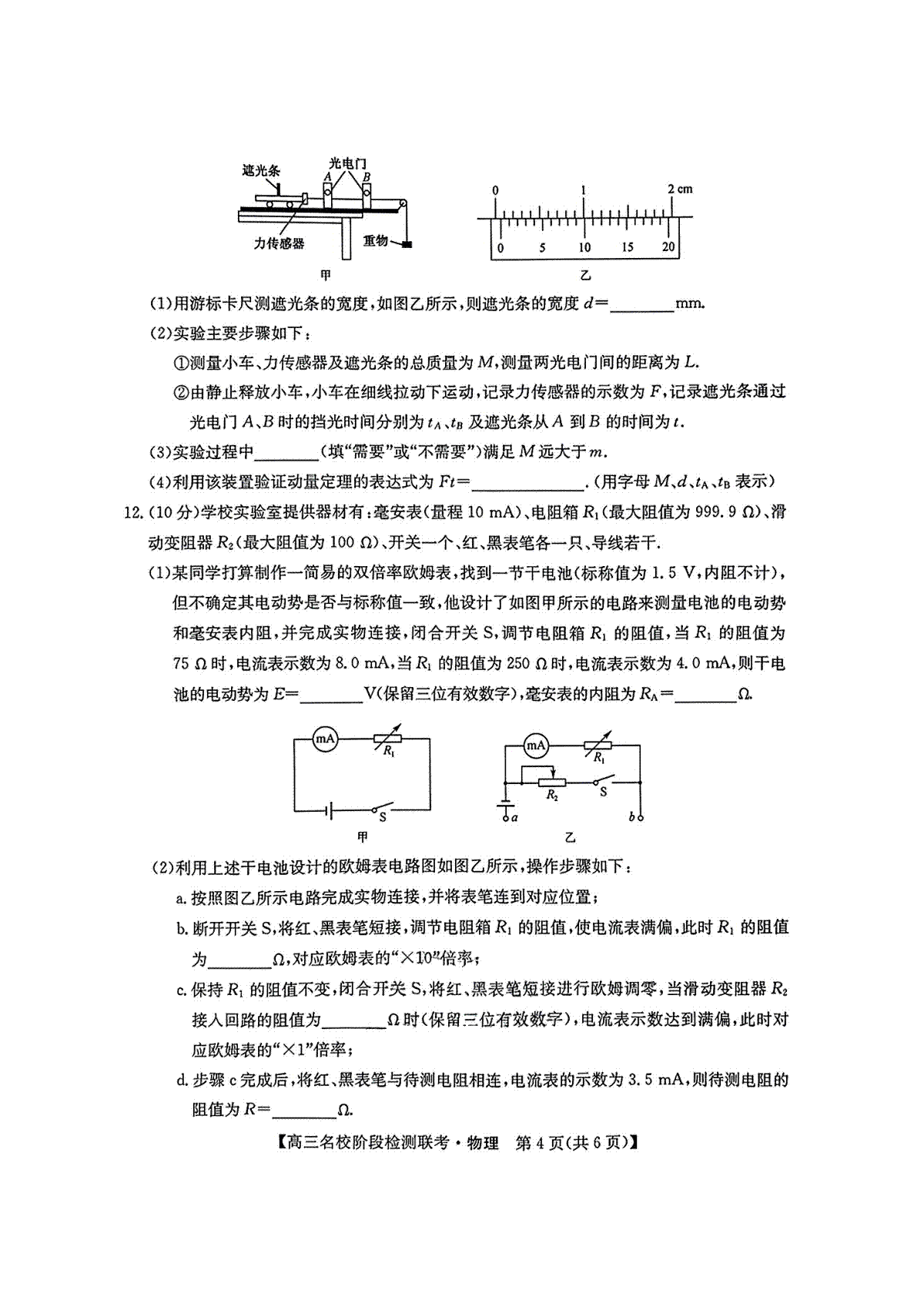
发表评论