您好,欢迎访问爱题库
微信
支付宝
2024届湖南省岳阳市高三二模物理试卷(无答案)于近期开考,本次考试对考生对知识的掌握参考价值大,为了方便大家复习掌握错题!小编在下文为大家准备了2024届湖南省岳阳市高三二模物理试卷(无答案)试卷及答案解析详情,仅供考生参考。
如果你想下载2024届湖南省岳阳市高三二模物理试卷(无答案)DOC或PDF版,请点击本文末链接!
一、2024届湖南省岳阳市高三二模物理试卷(无答案)







评论
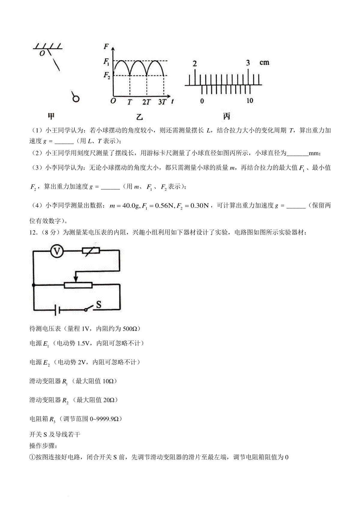
发表评论